电话:0577-66996885
传真:0577-66995778
手机:13353386068
Q Q:2219968630
网址:www.054902.com
地址:浙江省永嘉县瓯北镇三桥工业区
【FSB型氟塑料合金离心泵】产品简介:
FSB型氟塑料合金离心泵按国际标准设计,泵体采用金属外壳内衬聚全氟乙丙烯(F46),泵盖、叶轮和轴套均用金属嵌件外包氟塑料整体烧结压制成型,轴封采用外装式波纹管机械密封,静环选用99%氧化铝陶瓷或氮化硅,动环采用四氟填充材料,耐腐耐磨,适用于输送任何浓度的硫酸、盐酸、醋酸、氢氟酸、硝酸、王水、强碱、强氧化剂、有机溶剂、还原剂等苛刻条件的强腐蚀性介质,是目前世界上强耐腐蚀装备之一。本司产品全部采用计算机设计和优化处理,公司拥有雄厚的技术力量、丰富的生产经验和完善的检测手段,从而保证产品质量的稳定可靠。
【FSB型氟塑料合金离心泵】技术参数:
流量:3.6~100m3/h;
扬程:15~55m;
转速:2900r/min;
功率:1.5~18.5KW;
进口直径:25~100mm;
适用温度:-20℃~120℃。
【FSB型氟塑料合金离心泵】型号意义:
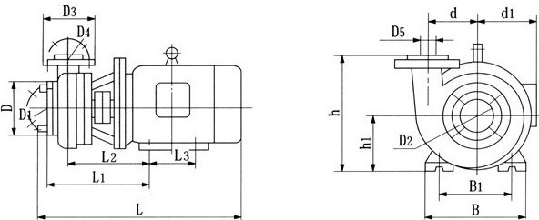
【FSB-D型氟塑料合金离心泵】安装尺寸图:
|
规格型号 |
L |
L1 |
L2 |
L3 |
D |
D1 |
D2 |
D3 |
D4 |
D5 |
B |
B1 |
d |
d1 |
h |
h1 |
地脚螺栓 |
|
25FSB-10D |
470 |
220 |
185 |
125 |
100 |
75 |
25 |
110 |
90 |
20 |
180 |
140 |
65 |
155 |
210 |
90 |
4-ф10 |
|
25FSB-18D |
470 |
220 |
185 |
125 |
100 |
75 |
25 |
110 |
90 |
20 |
180 |
140 |
65 |
155 |
210 |
90 |
4-ф10 |
|
40FSB-15D |
540 |
245 |
200 |
125 |
130 |
100 |
40 |
130 |
100 |
32 |
205 |
160 |
80 |
180 |
240 |
100 |
4-ф12 |
|
40FSB-20D |
540 |
245 |
200 |
140 |
130 |
100 |
40 |
130 |
100 |
32 |
205 |
160 |
80 |
180 |
240 |
100 |
4-ф12 |
|
40FSB-30D |
540 |
245 |
200 |
140 |
130 |
100 |
40 |
130 |
100 |
32 |
205 |
160 |
80 |
180 |
240 |
100 |
4-ф12 |
|
50FSB-20D |
540 |
245 |
200 |
140 |
130 |
100 |
50 |
130 |
100 |
40 |
205 |
160 |
80 |
180 |
240 |
100 |
4-ф12 |
|
50FSB-25D |
540 |
245 |
200 |
140 |
130 |
100 |
50 |
130 |
100 |
40 |
205 |
160 |
80 |
180 |
240 |
100 |
4-ф12 |
|
50FSB-30D |
540 |
245 |
200 |
140 |
130 |
100 |
50 |
130 |
100 |
40 |
240 |
190 |
80 |
180 |
240 |
100 |
4-ф12 |
|
65FSB-32D |
720 |
345 |
276 |
140 |
185 |
150 |
65 |
185 |
135 |
50 |
280 |
216 |
95 |
210 |
282 |
100 |
4-ф12 |
|
80FSB-20D |
720 |
345 |
276 |
140 |
185 |
150 |
80 |
185 |
135 |
65 |
280 |
216 |
95 |
210 |
282 |
132 |
4-ф12 |
|
80FSB-30D |
720 |
345 |
276 |
140 |
185 |
150 |
80 |
185 |
135 |
65 |
280 |
216 |
95 |
210 |
282 |
132 |
4-ф12 |
【FSB型氟塑料合金离心泵】拆卸与安装:
泵的拆卸
1.泵与电机联接用爪型联轴器连接,拆卸时先松掉支架与底座的4只连接螺栓.使泵与电机脱开。
2.松开泵体后盖的连接螺栓.用木柄轻击泵体脱开。
3.松开叶轮轴与泵轴莫氏锥度连接在连轴器中的吊紧螺栓。
4.松开机械密封动!不固定螺钉,用木锤轻击连轴器中心吊紧螺栓,叶轮轴与泵轴莫氏锥度松开后拉出叶轮、后盖、密封件动环.松开后盖上压盖螺钉.取出?坏。
5.松开泵轴左右压盖螺钉.取出泵轴、轴承、清洗支架油室。
装配
按拆卸的相反顺序将密封件动环、?环、后盖、压盖、叶轮、泵体等装上紧定螺栓。
【FSB型氟塑料合金离心泵】使用注意事项:安装及注意事项1.在安装前应对泵和电机进行检?耍?鞑糠钟ν旰梦匏穑?媚谖拊游铩?br />
2.将本泵放置水平位置上接上进、出管和接通电源.用手盘动联轴器.检?擞形夼霾料窒?转动轻松均?蛟虬沧敖崾??br />
3.塑料合金离心泵钢度较金属差,故管路重量不能直接压在泵体上,迸、出口管路应另加支架承受.扬程高的泵在出口还应安装逆止阀.以防突然停机的水锤破坏。
4.所有接合处必须保持密封.以防漏气、液影响泵的工作性能。
5.运转过程中如发现撅动或不正常声音时.应立即停车检?嗽??故降排除后才能工作。
起动与停车
1.往水泵内注足液体(引液)。
2.桧?酥Ъ苡褪业挠臀皇欠裨诠娑ǚ段?凇?br />
3.检?说缍??俗?较?调看泵的旋转标记。
4.关闭出口阀门及压力表旋塞。
5.启动电机.打开压力表旋塞.慢慢打开出口阀门,当压
6.重要停车时,首先关闭出水阀,再切断电源。
力表指针指到需要的位置时.停止出水阀门大小的调整。
【FSB型氟塑料合金离心泵】性能参数:
|
型号 |
流量(m3/h) |
扬程 |
口径(mm) |
功率(kw) |
转速 |
汽蚀余量 |
效率 |
||
|
进口 |
出口 |
轴功率 |
电机功率 |
||||||
|
40FSB-20L |
10 |
20 |
ф40 |
ф32 |
1.4 |
3.0 |
2900 |
3.0 |
45 |
|
40FSB-30L |
10 |
30 |
ф40 |
ф32 |
1.6 |
3.0 |
2900 |
3.0 |
42 |
|
50FSB-25L |
12.5 |
25 |
ф50 |
ф32 |
1.8 |
3.0 |
2900 |
3.0 |
55 |
|
50FSB-30L |
13 |
30 |
ф50 |
ф32 |
1.9 |
3.0 |
2900 |
3.0 |
46 |
|
65FSB-32L |
25 |
32 |
ф65 |
ф50 |
4.7 |
5.5 |
2900 |
3.0 |
65 |
|
80FSB-20L |
50 |
20 |
ф80 |
ф65 |
4.6 |
5.5 |
2900 |
3.0 |
45 |
|
80FSB-25L |
42 |
25 |
ф80 |
ф65 |
5.7 |
7.5 |
2900 |
3.0 |
67 |
|
80FSB-30L |
50 |
30 |
ф80 |
ф65 |
6.9 |
7.5 |
2900 |
3.5 |
68 |
|
80FSB-40L |
45 |
40 |
ф80 |
ф50 |
10 |
11.0 |
2900 |
3.5 |
48 |
|
80FSB-50L |
50 |
50 |
ф80 |
ф50 |
12 |
15.0 |
2900 |
3.5 |
57 |
|
80FSB-55L |
50 |
55 |
ф80 |
ф50 |
13.5 |
18.5 |
2900 |
4.0 |
50 |
|
100FSB-32L |
100 |
32 |
ф100 |
ф80 |
12 |
15.0 |
2900 |
3.5 |
7 |
|
型号 |
流量(m3/h) |
扬程 |
口径(mm) |
功率(kw) |
转速 |
汽蚀余量 |
效率 |
||
|
进口 |
出口 |
轴功率 |
电机功率 |
||||||
|
40FSB-15(D) |
5 |
15 |
ф40 |
ф32 |
0.4 |
3.0 |
2900 |
3.0 |
40 |
|
40FSB-20(D) |
10 |
20 |
ф40 |
ф32 |
1.2 |
3.0 |
2900 |
3.0 |
42 |
|
40FSB-30(D) |
10 |
30 |
ф40 |
ф32 |
1.2 |
3.0 |
2900 |
3.0 |
52 |
|
50FSB-20(D) |
12.5 |
20 |
ф50 |
ф32 |
1.5 |
3.0 |
2900 |
3.5 |
55 |
|
50FSB-25(D) |
12.5 |
25 |
ф50 |
ф32 |
1.8 |
3.0 |
2900 |
3.5 |
55 |
|
50FSB-30(D) |
15 |
30 |
ф50 |
ф32 |
1.9 |
3.0 |
2900 |
3.5 |
54 |
|
65FSB-32(D) |
25 |
32 |
ф65 |
ф50 |
3.6 |
5.5 |
2900 |
3.5 |
65 |
|
80FSB-25(D) |
42 |
25 |
ф80 |
ф65 |
3.8 |
7.5 |
2900 |
3.5 |
67 |
|
80FSB-30(D) |
50 |
30 |
ф80 |
ф65 |
6.8 |
7.5 |
2900 |
3.5 |
68 |
故障原因与排除方法:
|
故 障 |
原 因 |
解决方法 |
|
打不出液体 |
1、吸入管内有空气.迸口阻塞 2、吸上高度太高 3、要求扬程大于泵扬程 4、排出管过细.管路损失过大 5、反转 |
1 、清理管路,排净空气 2 、降低泵安装高度 3、更?Q扬程大的泵 4 、?Q口径与泵口等大的输出管 5、改变方向 |
|
流量不足 |
1 、叶轮损坏 2 、 密封件损坏 3、数不足 4、进口管过细 5、出口管弯头过多,阻力过大 |
1 、更?Q新叶轮 2 、?Q密封件 3、增加转数 4 、按规定重?管道 5 、重新合理安排管路 |
|
扬程不足 |
1、输送介质中含有气体或介质粘度过大 2、叶轮和叶片损坏 3、转数不足 |
1、降低介质粘度或增加注灌压力 2、更换叶轮 3 、增加转数 |
|
轴端渗漏 |
1、机械密封卡环过松 2、轴端卡环过渡尺寸间隙太大 |
1、旋紧卡坏两只内六角螺钌 2、将泵拆卸,轴、卡挡绕F4生料带薄膜数圈.紧配合.螺栓旋紧 |
|
密封泄漏严重 |
1、密封元件材料选用不当 2、磨瘵付严重磨损 3、动?环吻不? 4 、磨擦付过大静环碎裂 |
1、向供泵串位述明介质情况,配适当动?环 2、更?Q磨损另件.并调整弹簧压力,减少磨损 3、密封组合体松卡环镙栓重新调正位置 4、整泵拆卸.换静环按要求装密封组合件与轴垂直度误差<0.10 |
|
泵内有杂音或泵振动 |
1、泵轴与电机轴不同心 2 、流量超过使用范围产生气蚀 3、泵产生气蚀 4 、电动机与轴承磨损 |
1 、校正泵轴中心 2、选用适当的泵型.按泵使用范围运转 3、降低介质的温度或增加灌注压力 4、清洗或更?Q轴承 |
【FSB型氟塑料合金离心泵】产品特点:
FSB型氟塑料合金离心泵具有结构紧凑合理、耐强腐蚀、密封性能严密可靠、工作稳定、噪声低、机械强度高、不老化、无毒素分解、维修方便、流道光滑、效率高,节约能源等优点。杜绝跑、冒、滴、漏,广泛应用于化工、制酸、制碱、冶炼、稀土、农药、染料、医药、造纸、电镀、电解、酸洗、无线电、化成箔、科研机构、国防工业等行业。
【FSB型氟塑料合金离心泵】性能曲线图:
【FSB-D型氟塑料合金离心泵】性能曲线图:
【FSB型氟塑料合金离心泵】安装尺寸图:
|
规格型号 |
L |
L1 |
L2 |
L3 |
L4 |
D |
D1 |
D2 |
D3 |
D4 |
D5 |
B |
B1 |
d |
h |
h1 |
h2 |
n-m |
|
25FSB-10 |
940 |
730 |
455 |
130 |
380 |
100 |
75 |
25 |
110 |
90 |
20 |
250 |
310 |
65 |
112 |
130 |
78 |
4-ф18 |
|
25FSB-18 |
940 |
730 |
455 |
130 |
380 |
100 |
75 |
25 |
110 |
90 |
20 |
250 |
310 |
65 |
112 |
130 |
78 |
4-ф18 |
|
40FSB-15 |
940 |
730 |
455 |
130 |
400 |
130 |
100 |
40 |
130 |
100 |
32 |
250 |
310 |
80 |
112 |
130 |
78 |
4-ф18 |
|
40FSB-20 |
940 |
730 |
455 |
130 |
400 |
130 |
100 |
40 |
130 |
100 |
32 |
250 |
310 |
80 |
112 |
130 |
78 |
4-ф18 |
|
40FSB-30 |
940 |
730 |
455 |
130 |
400 |
130 |
100 |
40 |
130 |
100 |
32 |
250 |
310 |
80 |
112 |
130 |
78 |
4-ф18 |
|
40FSB-40 |
940 |
730 |
455 |
130 |
400 |
130 |
100 |
40 |
130 |
100 |
32 |
250 |
310 |
80 |
112 |
130 |
78 |
4-ф18 |
|
50FSB-20 |
940 |
730 |
455 |
130 |
400 |
130 |
100 |
50 |
130 |
100 |
32 |
250 |
310 |
80 |
112 |
130 |
78 |
4-ф18 |
|
50FSB-25 |
940 |
730 |
455 |
130 |
400 |
130 |
100 |
50 |
130 |
100 |
40 |
250 |
310 |
80 |
112 |
130 |
78 |
4-ф18 |
|
50FSB-30 |
940 |
730 |
455 |
130 |
400 |
130 |
100 |
50 |
130 |
100 |
40 |
250 |
310 |
80 |
112 |
130 |
78 |
4-ф18 |
|
50FSB-40 |
1045 |
830 |
560 |
130 |
400 |
130 |
100 |
50 |
130 |
100 |
40 |
250 |
375 |
80 |
112 |
130 |
78 |
4-ф18 |
|
50FSB-50 |
1045 |
830 |
560 |
130 |
400 |
130 |
100 |
50 |
130 |
100 |
40 |
250 |
375 |
80 |
112 |
130 |
78 |
4-ф18 |
|
65FSB-32 |
1045 |
830 |
560 |
240 |
410 |
185 |
135 |
65 |
160 |
135 |
50 |
250 |
375 |
95 |
132 |
150 |
65 |
4-ф18 |
|
65FSB-40 |
1045 |
830 |
560 |
240 |
410 |
185 |
135 |
65 |
160 |
135 |
50 |
250 |
375 |
100 |
132 |
185 |
65 |
4-ф18 |
|
65FSB-50 |
1045 |
830 |
560 |
240 |
410 |
185 |
150 |
65 |
160 |
135 |
50 |
250 |
375 |
100 |
132 |
185 |
65 |
4-ф18 |
|
80FSB-20 |
1045 |
830 |
560 |
240 |
410 |
185 |
150 |
80 |
160 |
135 |
65 |
250 |
375 |
95 |
132 |
150 |
65 |
4-ф18 |
|
80FSB-30 |
1045 |
830 |
560 |
240 |
410 |
185 |
150 |
80 |
160 |
135 |
65 |
250 |
375 |
95 |
132 |
150 |
65 |
4-ф18 |
|
80FSB-34 |
1045 |
830 |
560 |
240 |
410 |
185 |
150 |
80 |
160 |
135 |
65 |
250 |
375 |
95 |
132 |
150 |
65 |
4-ф18 |
|
80FSB-40 |
1045 |
830 |
560 |
240 |
410 |
185 |
150 |
80 |
160 |
135 |
65 |
250 |
375 |
100 |
132 |
185 |
65 |
4-ф18 |
|
80FSB-50 |
1045 |
830 |
560 |
240 |
410 |
185 |
150 |
80 |
160 |
135 |
50 |
250 |
375 |
100 |
132 |
185 |
65 |
4-ф18 |
|
80FSB-55 |
1310 |
970 |
610 |
245 |
500 |
185 |
150 |
80 |
160 |
135 |
65 |
330 |
430 |
110 |
160 |
205 |
100 |
4-ф18 |
|
80FSB-80 |
1310 |
970 |
640 |
245 |
500 |
185 |
150 |
80 |
160 |
135 |
65 |
330 |
430 |
135 |
160 |
205 |
100 |
4-ф18 |
|
100FSB-32 |
1330 |
970 |
640 |
245 |
500 |
185 |
150 |
100 |
160 |
135 |
65 |
330 |
430 |
110 |
160 |
205 |
120 |
4-ф18 |
|
100FSB-50 |
1360 |
970 |
640 |
245 |
500 |
185 |
150 |
100 |
160 |
135 |
65 |
300 |
430 |
110 |
160 |
205 |
160 |
4-ф18 |
【FSB型氟塑料合金离心泵】机械密封:
FSB和FSB-D氟塑料合金离心泵采用目前为先进的外装式四氟波纹管机械密封,其特点是能补偿泵轴的径向跳动,单端面密封外装式、易装卸、工作状态直观、耐腐耐磨密封性能好、拥有多层保护,延长了机封使用寿命;对于输送含杂质颗粒腐蚀性介质时,可配用无冷却水单端面硬对硬(碳化硅对碳化硅)机械密封,强碱与氢氟酸等特殊腐蚀性介质配用无压烧结碳化硅密封;用户选型时需考虑到介质中的固体含量及介质特殊腐蚀性.【FSB型氟塑料合金离心泵】产品图片:

