海坦提供DL立式多级泵故障解决方法及安装尺寸图:
发布时间:2015-11-12 14:54:53 来源:海坦泵业 点击次数:2666
立式多级泵特点:
DL立式多级泵采用国内优秀高效节能的水力模型,具有效率高,性能曲线平缓,运行范围广,符合消防局的有关规定,满足不同用户的使用需要;DL立式多级泵采用立式分段式结构,且运转平稳、噪音低、使用寿命长、占地面积少、安装维护方便等优点。
故障原因及排除方法:
|
故障现象
|
可能产生的原因
|
排除方法
|
|
1、水泵不出水
|
进水口阀门未打开,进出管路阻塞,叶轮流道阻塞电机运行方向不对,电机缺相转速很慢吸入管漏气泵没灌满液体,泵腔内有空气进口供水不足,吸程过高,底阀漏水管路阻力过大,泵选型不当
|
检查,去除阻塞物调整电机转向,紧固电机接线拧紧各密封面,排除空气打开泵上盖或打开排气阀,排尽空气停机检查、调整减少管路弯道,重新选泵
|
|
2、水泵流量不足
|
先按1原因检查管道、泵流道或叶轮部分阻塞,水垢沉积……电压偏低叶轮磨损
|
先按1排除去除阻塞物,重新调整阀门开度稳压更换叶轮
|
|
3、功率过大
|
超过额定流量使用吸程过高泵轴承磨损
|
调节流量,关小出口阀门降低更换轴承
|
|
4、杂音振动
|
管路支撑不稳液体混有气体产生汽蚀轴承损坏电机超载运行
|
稳固管路提高吸入压力,排气降低真空度更换轴承调整按5
|
|
5、电机发热
|
流量过大,超载运行局部摩擦电机轴承损坏电压不足
|
关小出口阀门检查排除更换轴承稳压
|
|
6、水泵漏水
|
机械密封磨损泵体有砂孔或破裂密封面不平整安装螺栓松懈
|
更换焊补或更换修整紧固
|
DL立式多级泵由电机和泵两部分组成,电机为Y型三相异步电机,泵和电机采用联轴器连接,整体为刚性连接,使用时无需校正。泵由定子部分和转子部分组成。泵定子部分由进水段、中段、导叶、出水段、填料函体等零件组成。为防止定子磨损,定子上装有密封环、平衡套等,磨损后可用备件更换。转子部分由轴、叶轮、平衡毂等组成。转子下端为水润滑轴承,上部为角接触球轴承,DL立式多级泵的轴向力绝大部分由平衡鼓来承担,其余小部分残余轴向力幅角接触球轴承来承受。进水段和出水段和结合面用纸垫通过接紧达到密封。轴封采用填料或机械密封,用户可根据需要选择。
DL立式多级泵旋转方向从驱动端向下看为逆时针方向转动。
DL立式多级泵结构图:
1、DL立式多级泵结构紧凑,体积小,外形美观,占地面积小,节省建筑费用;
2、DL立式多级泵的吸入口和出水口在同一中心线上,简化管路的连接;
3、根据实际情况,DL立式多级泵的进出口可装配成90°、180°、270°不同的方向;
4、根据实际情况,DL立式多级泵的出口可装配成1~5个出口,以满足同一台泵上获得不同的扬程;

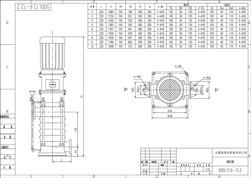
DL立式多级泵安装尺寸图:

下一个:卧式多级泵的产品图片及原理解析:
